Product Summary
The 08051J0R5BBT is a RF Power Field Effect Transistor. It is designed for WLL/MMDS/BWA or UMTS driver applications with frequencies from 1.8 to 3.6 GHz. The 08051J0R5BBT is unmatched and is suitable for use in Class AB linear base station applications.
Parametrics
08051J0R5BBT absolute maximum ratings: (1)Drain-Source Voltage VDSS: 15Vdc; (2)Total Device Dissipation @ TC=25℃: 10.5W; (3)Derate above 25℃ PD: 0.07W/℃; (4)Gate-Source Voltage VGS: -5Vdc; (5)RF Input Power Pin: 30dBm; (6)Storage Temperature Range Tstg: -65℃ to +150℃; (7)Channel Temperature Tch: 175℃; (8)Operating Case Temperature Range TC: -20℃ to +85℃.
Features
08051J0R5BBT features: (1)Typical W-CDMA Performance: -42dBc ACPR, 3.55GHz, 12Volts, IDQ = 80mA, 5MHz Offset/3.84MHz BW, 64 DPCH (8.5dB P/A @ 0.01% Probability); (2)Output Power: 450mWatt; (3)Power Gain: 11dB; (4)Efficiency: 25%; (5)4.5 Watts P1dB @ 3.55 GHz; (6)Excellent Phase Linearity and Group Delay Characteristics; (7)High Gain, High Efficiency and High Linearity; (8)In Tape and Reel. T1 Suffix = 1000 Units per 12mm, 7 inch Reel.
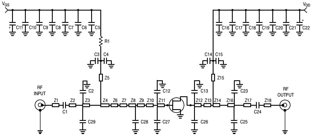
Diagrams

| Image | Part No | Mfg | Description | ![]() |
Pricing (USD) |
Quantity | ||||||||||||
|---|---|---|---|---|---|---|---|---|---|---|---|---|---|---|---|---|---|---|
![]() |
![]() 08051J0R5BBTTR |
![]() AVX |
![]() Multilayer Ceramic Capacitors (MLCC) - SMD/SMT 100volts .5pF |
![]() Data Sheet |
![]()
|
|
||||||||||||
| Image | Part No | Mfg | Description | ![]() |
Pricing (USD) |
Quantity | ||||||||||||
![]() |
![]() 0805001 |
![]() Phoenix Contact |
![]() Terminal Block Tools & Accessories 4.2mm BLANK STRIPS ZB-4 |
![]() Data Sheet |
![]()
|
|
||||||||||||
![]() |
![]() 0805027 |
![]() Phoenix Contact |
![]() Terminal Block Tools & Accessories SK 2.5/3.8: SO CUSTOM PRINTNG |
![]() Data Sheet |
![]() Negotiable |
|
||||||||||||
![]() |
![]() 0805030 |
![]() Phoenix Contact |
![]() Terminal Block Tools & Accessories SK 3.5/2.8: SO CUSTOM PRINTNG |
![]() Data Sheet |
![]() Negotiable |
|
||||||||||||
![]() |
![]() 0805043 |
![]() Phoenix Contact |
![]() Terminal Block Tools & Accessories SK 3.5/3.8: SO CUSTOM PRINTNG |
![]() Data Sheet |
![]() Negotiable |
|
||||||||||||
![]() |
![]() 0805056 |
![]() Phoenix Contact |
![]() Terminal Block Tools & Accessories SK 3.81/2.8: SO |
![]() Data Sheet |
![]() Negotiable |
|
||||||||||||
![]() |
![]() 0805069 |
![]() Phoenix Contact |
![]() Terminal Block Tools & Accessories SK 9.5/5: SO CUSTOM PRINTNG |
![]() Data Sheet |
![]() Negotiable |
|
||||||||||||
(Singapore)















