Product Summary
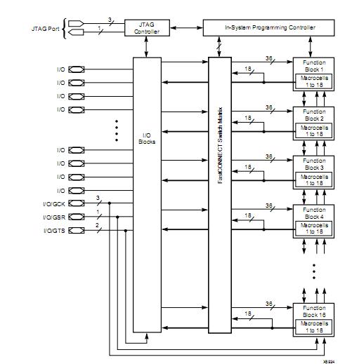
The XC95288-15HQ208C is a high-performance CPLD providing advanced in-system programming and test capabilities for general purpose logic integration. The XC95288-15HQ208C is comprised of sixteen 36V18 Function Blocks, providing 6,400 usable gates with propagation delays of 10 ns.
Parametrics
XC95288-15HQ208C absolute maximum ratings: (1)Supply voltage relative to GND:-0.5V to 7.0V; (2)DC input voltage relative to GND:-0.5V to VCC + 0.5V; (3)Voltage applied to 3-state output with respect to GND:-0.5V to VCC + 0.5V; (4)Storage temperature:-65℃ to +150℃; (5)Max soldering temperature (10 s @ 1/16 in = 1.5 mm):+260℃.
Features
XC95288-15HQ208C features: (1)Extensive IEEE Std 1149.1 boundary-scan (JTAG) support; (2)Programmable power reduction mode in each macrocell; (3)Slew rate control on individual outputs; (4)User programmable ground pin capability; (5)Extended pattern security features for design protection; (6)High-drive 24mA outputs; (7)3.3 V or 5 V I/O capability; (8)Advanced CMOS 5V Fast FLASH technology; (9)Supports parallel programming of more than one XC9500 concurrently; (10)Available in 352-pin BGA and 208-pin HQFP packages; (11)10 ns pin-to-pin logic delays on all pins; (12)fCNT to 95 MHz; (13)288 macrocells with 6,400 usable gates; (14)Up to 192 user I/O pins; (15)5 V in-system programmable; (16)Endurance of 10,000 program/erase cycles; (17)Program/erase over full commercial voltage and temperature range; (18)Enhanced pin-locking architecture; (19)Flexible 36V18 Function Block.
Diagrams

| Image | Part No | Mfg | Description | ![]() |
Pricing (USD) |
Quantity | ||||||||||||||||
|---|---|---|---|---|---|---|---|---|---|---|---|---|---|---|---|---|---|---|---|---|---|---|
![]() |
![]() XC95288-15HQ208C |
![]() |
![]() IC CPLD SPEED GRADE 208-HQFP/COM |
![]() Data Sheet |
![]() Negotiable |
|
||||||||||||||||
| Image | Part No | Mfg | Description | ![]() |
Pricing (USD) |
Quantity | ||||||||||||||||
![]() |
![]() XC9500 |
![]() Other |
![]() |
![]() Data Sheet |
![]() Negotiable |
|
||||||||||||||||
![]() |
![]() XC9500XV |
![]() Other |
![]() |
![]() Data Sheet |
![]() Negotiable |
|
||||||||||||||||
![]() |
![]() XC9501 |
![]() Other |
![]() |
![]() Data Sheet |
![]() Negotiable |
|
||||||||||||||||
![]() |
![]() XC9502 |
![]() Other |
![]() |
![]() Data Sheet |
![]() Negotiable |
|
||||||||||||||||
![]() |
![]() XC9503 |
![]() Other |
![]() |
![]() Data Sheet |
![]() Negotiable |
|
||||||||||||||||
![]() |
![]() XC9503B093AR-G |
![]() |
![]() IC REG BUCK ADJ 1A DL 10MSOP |
![]() Data Sheet |
![]()
|
|
||||||||||||||||
(Singapore)










