Product Summary
The TPC8018 is a High-Speed and High-Efficiency DC/DC Converter. The applications of the TPC8018 include Notebook PC Applications, Portable-Equipment Applications.
Parametrics
TPC8018 absolute maximum ratings:(1)Drain-source voltage VDSS 30V; (2)Drain-gate voltage (RGS = 20kΩ) VDGR: 30V; (3)Gate-source voltage VGSS: ±20V; (4)Drain current DC ID: 18A; (5)Drain current Pulsed IDP: 72A; (6)Drain power dissipation (t=10s) PD: 1.9W; (7)Drain power dissipation (t=10s) PD: 1.0W; (8)Single-pulse avalanche energy EAS: 210mJ; (9)Avalanche current IAR: 18A; (10)Repetitive avalanche energy EAR: 0.19mJ; (11)Channel temperature Tch: 150℃; (12)Storage temperature range Tstg: -55℃ to 150℃.
Features
TPC8018 features: (1)Small footprint due to a small and thin package; (2)High-speed switching; (3)Small gate charge: QSW = 12nC (typ.); (4)Low drain-source ON-resistance: RDS (ON) = 3.5mΩ(typ.); (5)High forward transfer admittance: |Yfs| =50S (typ.); (6)Low leakage current: IDSS = 10μA(max) (VDS = 30V); (7)Enhancement mode: Vth = 1.1V to 2.3V (VDS = 10V, ID = 1mA).
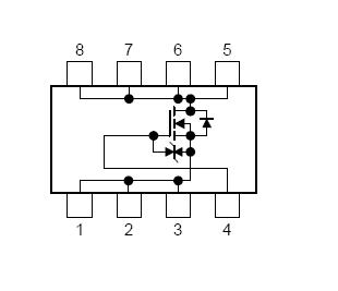
Diagrams

| Image | Part No | Mfg | Description | ![]() |
Pricing (USD) |
Quantity | ||||
|---|---|---|---|---|---|---|---|---|---|---|
![]() |
![]() TPC8018-H(TE12LQM) |
![]() Toshiba |
![]() MOSFET MOSFET N-Ch 30V 18A |
![]() Data Sheet |
![]() Negotiable |
|
||||
![]() |
![]() TPC8018-H(TE12L,Q) |
![]() Toshiba |
![]() MOSFET PW TR N-Ch 30V 18A 1.9W 3.5mOhms |
![]() Data Sheet |
![]() Negotiable |
|
||||
![]() |
![]() TPC8018-H(TE12L) |
![]() |
![]() MOSFET N-CH 30V 18A 8-SOP |
![]() Data Sheet |
![]() Negotiable |
|
||||
(Singapore)










