Product Summary

The RSN311W64B is an IC.

Diagrams

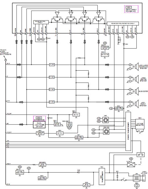
RSN311W64B block diagram