Product Summary
The IM03NS-5V is an IM Relay. The applications of the IM03NS-5V include Communications equipment, Linecard application analog, ISDN, xDSL, PABX Voice over IP, Office and business equipment, Measurement and control equipment, Consumer electronics Set top boxes, HiFi, Medical equipment.
Parametrics
IM03NS-5V absolute maximum ratings: (1)Number of contacts and type: 2 changeover contacts; (2)Contact assembly: Bifurcated contacts; (3)Contact material: Palladium-ruthenium, gold-covered; (4)Limiting continuous current at max. ambient temperature: 2A; (5)Maximum switching current: 2A; (6)Maximum swichting voltage: 220V, 250V; (7)Maximum switching capacity: 60W, 62.5VA; (8)Thermoelectric potential: <10μV; (9)Initial contact resistance/measuring condition: 10mA/20mV: < 50mΩ.
Features
IM03NS-5V features: (1)Telecom/signal relay (dry circuit, test access, ringing); (2)Slim line10 x 6 mm, 0.39 x 0.24 inch; (3)Low profile 5.65 mm, 0.222 inch; (4)Minimum board-space 60 mm2; (5)Switching current 2 A; (6)2 changeover contacts (2 form C / DPDT); (7)Bifurcated contacts, gold plated; (8)High sensitivity results in low nominal power consumption: 140mW for non latching, 100mW for latching version; (9)High surge capability (1.2/50 μs and 10/700μs) meets Bellcore GR 1089, FCC Part 68 and ITU-T K20≥1500 V between open contacts; (10)≥2500 V between coil and contacts; (11) High mechanical shock resistance up to 300 G functional, up to 500 G survival.
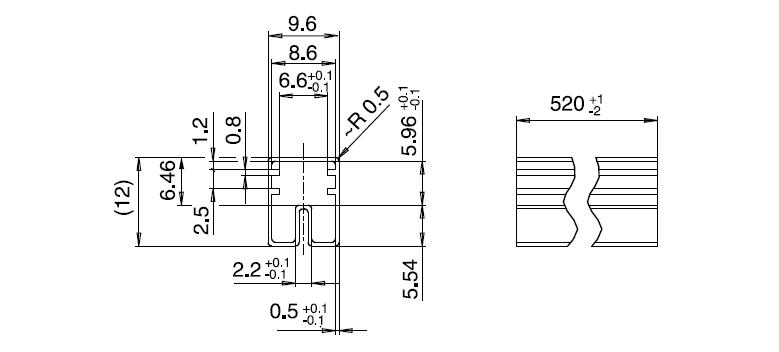
Diagrams

![]() |
![]() IM03GR |
![]() TE Connectivity / Axicom |
![]() High Frequency / RF Relays 5VDC Non-latching Single coil gullwing |
![]() Data Sheet |
![]()
|
|
||||||||||||
![]() |
![]() IM03JR |
![]() TE Connectivity / Axicom |
![]() High Frequency / RF Relays 140 mW 5 V 10 |
![]() Data Sheet |
![]()
|
|
||||||||||||
![]() |
![]() IM03NS |
![]() TE Connectivity / Axicom |
![]() High Frequency / RF Relays 140 MW 5 V 11 |
![]() Data Sheet |
![]()
|
|
||||||||||||
![]() |
![]() IM03TS |
![]() TE Connectivity / Axicom |
![]() High Frequency / RF Relays 5VDC Non-latching Single coil |
![]() Data Sheet |
![]()
|
|
||||||||||||
![]() |
![]() IM03DGR |
![]() TE Connectivity / Axicom |
![]() High Frequency / RF Relays IM RELAY 140mW 5V |
![]() Data Sheet |
![]()
|
|
||||||||||||
![]() |
![]() IM03CGR |
![]() TE Connectivity / Axicom |
![]() High Frequency / RF Relays 140mW 5V DIELEC. |
![]() Data Sheet |
![]()
|
|
||||||||||||
(Singapore)









