Product Summary
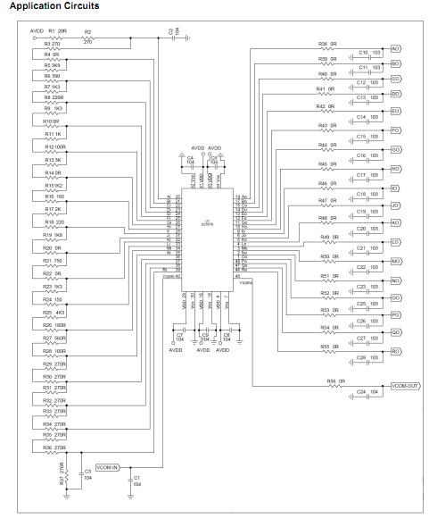
The AS19-H1G is an 18+1 channel voltage buffer that buffers reference voltage for gamma correction in a thin film transistor liquid crystal display (TFT LCD). This device AS19-H1G incorporating a Vcom amplifier circuits, four rail to rail buffer amplifier circuits (the highest two stage and lowest two stage) and 14 buffer amplifiers circuits. The AS19-H1G is available in a space saving 48-pin TQFP package, and the operating temperature is from –20℃ to +85℃. It is suitable for TFT-LCD Reference Driver.
Parametrics
AS19-H1G absolute maximum ratings: (1)Supply Voltage between VS+ and VS-, Vs: +18 V; (2)Input Voltage: Vs+ +0.5 V; (3)Maximum Output Current (A ~ R Buffers), Iout: ±30mA; (4)Maximum Output Current (Com Buffer), Iout(com): ±100mA; (5)Maximum junction Temperature, TJ: +150℃; (6)Storage Temperature Range, TSTG: -65 to +150℃; (7)Operating Temperature Range, TOP: -20 to +85℃; (8)Lead temperature, Tlead: 260℃; (9)ESD Voltage: 2 KV.
Features
AS19-H1G features: (1)Wide supply voltage range 6.5V ~ 18V; (2)Rail-to-rail output swing (The highest two stage & lowest two stage); (3)High slew rate 1V/μs; (4)GBWP 1 MHz; (5)2 MHz -3dB Bandwidth; (6)Large Vcom Drive Current: ±100mA(Max); (7)Ultra-small Package TQFP-48.
Diagrams

![]() |
![]() AS1901 |
![]() Other |
![]() |
![]() Data Sheet |
![]() Negotiable |
|
||||||||||||||||
![]() |
![]() AS1901-C22-T |
![]() |
![]() IC SUPERVISOR ACT LOW SOT23-3 |
![]() Data Sheet |
![]()
|
|
||||||||||||||||
![]() |
![]() AS1901-C23-T |
![]() |
![]() IC SUPERVISOR ACT LOW SOT23-3 |
![]() Data Sheet |
![]() Negotiable |
|
||||||||||||||||
![]() |
![]() AS1901-C26-T |
![]() |
![]() IC SUPERVISOR ACT LOW SOT23-3 |
![]() Data Sheet |
![]()
|
|
||||||||||||||||
![]() |
![]() AS1901-C31-T |
![]() |
![]() IC SUPERVISOR ACT LOW SOT23-3 |
![]() Data Sheet |
![]()
|
|
||||||||||||||||
![]() |
![]() AS1902 |
![]() Other |
![]() |
![]() Data Sheet |
![]() Negotiable |
|
||||||||||||||||
(Singapore)









