Product Summary
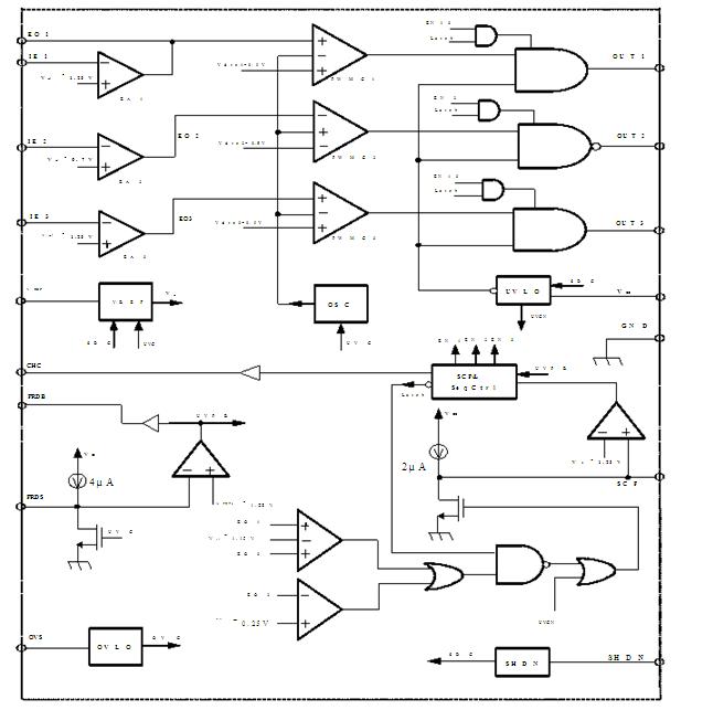
The AAT1101 is a triple output TFT LCD PWM controller. The AAT1101 provides an integrated triple-channel pulse width modulation (PWM) solution for the power supply of LCD displays. It offers system engineers the flexibility to tailor-make the power supply circuitry for specific applications. Each channel contains its own error amplifier, PWM comparator, dead–time control (DTC) and output driver. The under-voltage protection, over voltage protection, power sequence control, shutdown control circuit, oscillator, short circuit protection, and voltage reference circuits are the common features of the three channels. The AAT1101 contains two exclusive boost circuits at CH1, CH3 and an exclusive buck boost circuit at CH2. AAT1101’s Power Up sequence initiates at CH1 then CH2 and finally CH3.AAT1101A/C’s Power Up sequence acts in the order of CH2, CH3, and then CH1.AAT1101B’s Power Up sequence starts from CH2, CH1, and then CH3.At the completion of the Power Up sequencing, the SCP pin stays low and enters the Wait State of short circuit protection. Power Up sequencing delay and short circuit protection delay are set by connecting a capacitor to the SCP pin. Furthermore, these devices can operate with supply voltage ranging from 2.5V to 6.5V and function efficiently in an environment with low power supply. With a minimum number of external components, theAAT1101 series offer a simple and cost effective solution for TFT LCD.
Parametrics
AAT1101 absolute maximum ratings: (1)Supply Voltage VDD: 8V; (2)Input Voltage VI: VDD V; (3)Output Voltage:VDD+0.3V; (4)Output Current: CH1, CH3: -41/+21mA, CH2: -21/+41mA; (5)Output Peak Current: Sink: +200mA Source: -200mA; (6)Operating Free-Air Temperature Range: -20℃ to +85℃; (7)Storage Temperature Range: -45℃ to +125℃.
Features
AAT1101 features: (1)Complete PWM Power Control Circuitry; (2)Precision Reference: 1.25V±1% (25℃); (3)Low Operating Voltage: 2.5V to 6.5V; (4)Under-Voltage Lockout Protection; (5)5V or 3.3V Selectable Over Voltage Lockout Protection (AAT1101/A only); (6)AAT1101/AAT1101A/AAT1101C: 500kHz Fixed; (7)AAT1101B: 50kHz to 1MHz Programmable; (8)Internal Power Up Sequence Control; (9)Totem Pole Output; (10)Output Short Circuit Protection; (11)Low Dissipation Current: 2.5mA(f=500kHz, Duty=50%).
Diagrams

| Image | Part No | Mfg | Description | ![]() |
Pricing (USD) |
Quantity | ||||
|---|---|---|---|---|---|---|---|---|---|---|
![]() |
![]() AAT1101/A/B |
![]() Other |
![]() |
![]() Data Sheet |
![]() Negotiable |
|
||||
| Image | Part No | Mfg | Description | ![]() |
Pricing (USD) |
Quantity | ||||
![]() |
![]() AAT1011 |
![]() Other |
![]() |
![]() Data Sheet |
![]() Negotiable |
|
||||
![]() |
![]() AAT1014 |
![]() Other |
![]() |
![]() Data Sheet |
![]() Negotiable |
|
||||
![]() |
![]() AAT1100 |
![]() Other |
![]() |
![]() Data Sheet |
![]() Negotiable |
|
||||
![]() |
![]() AAT1100-T |
![]() Other |
![]() |
![]() Data Sheet |
![]() Negotiable |
|
||||
![]() |
![]() AAT1101/A/B |
![]() Other |
![]() |
![]() Data Sheet |
![]() Negotiable |
|
||||
![]() |
![]() AAT1102 |
![]() Other |
![]() |
![]() Data Sheet |
![]() Negotiable |
|
||||
(Singapore)









