Product Summary
The 6MBP20RTB060 is an IGBT.
Parametrics
6MBP20RTB060 absolute maximum ratings: (1)Bus Voltage (Between terminal P and n) DC: 0 to 450V; (2)Collector-Emitter Voltage: 0 to 600V; (3)Collector Current DC: 20A; (4)Collector Power Dissipation: 103W; (5)Supply Voltage of Pre-Driver: -0.5V to 20V; (6)Input Signal Voltage: -0.5V to VCC+0.5V; (7)Input Signal Current: 1mA; (8)Junction Temperature: 150℃; (9)Operating Case Temperature: -20℃ to 100℃; (10)Solder Temperature: 260℃; (11)Screw Torque: 2.0Nm.
Features
6MBP20RTB060 features: (1) Collector Current at off signal input: 1.0mA; (2) Collector-Emitter saturation voltage: 2.2V; (3) Forward voltage of FWD: 2.6V; (4) Turn-on time: 12us; (5) Turn-off time: 3.6us; (6) reverse recovery time: 0.3us; (7) maximum avalanche energy: 20mJ.
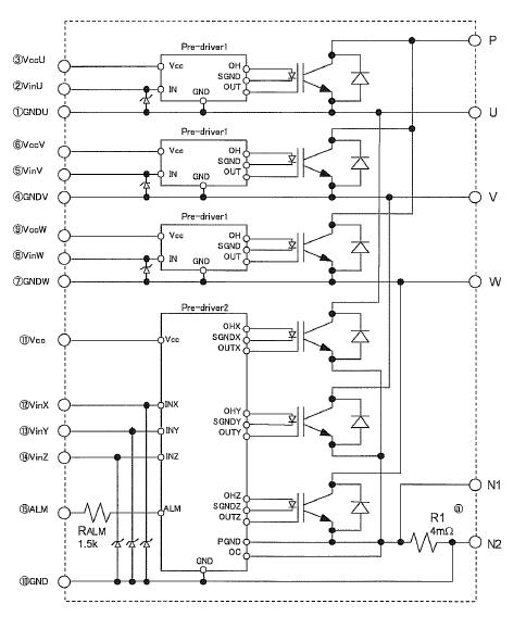
Diagrams

![]() |
![]() 6MBP 150RA-060 |
![]() Other |
![]() |
![]() Data Sheet |
![]() Negotiable |
|
||||
![]() |
![]() 6MBP 15RH-060 |
![]() Other |
![]() |
![]() Data Sheet |
![]() Negotiable |
|
||||
![]() |
![]() 6MBP 75RA-120 |
![]() Other |
![]() |
![]() Data Sheet |
![]() Negotiable |
|
||||
![]() |
![]() 6MBP100RTA-060 |
![]() Other |
![]() |
![]() Data Sheet |
![]() Negotiable |
|
||||
![]() |
![]() 6MBP100RTB060 |
![]() Other |
![]() |
![]() Data Sheet |
![]() Negotiable |
|
||||
![]() |
![]() 6MBP150RA120 |
![]() Other |
![]() |
![]() Data Sheet |
![]() Negotiable |
|
||||
(Singapore)








