Product Summary
The 2SC2240 is a transistor for low frequency and low noise applications. The 2SC2240 is designed to lower noise figure in the region of low signal source impedance, and to lower the pulse noise. This is recommended for the first stages of Equalizer amplifiers.
Parametrics
2SC2240 absolute maximum ratings: (1)Collector to base voltage VCBO: 120V; (2)Collector to emitter voltage VCEO:120V; (3)Emitter to base voltage VEBO: 5V; (4)Collector current IC: 100mA; (5)Collector current (pulse): 20mA; (6)Collector power dissipation PC: 300mW; (7)Junction temperature Tj: 125℃; (8)Storage temperature Tstg:-55℃ to +125℃.
Features
2SC2240 features: (1) Low noise: NF=4dB, RG=100Ω, VCE=6V, IC=100μA, f=1 kHz; (2) Low noise: NF=0.5dB, RG=1KΩ, VCE=6V, IC=100μA, f=1kHz; (3) Low pulse Noise: low 1/f Noise; (4) high DC Current Gain: hFE=200 to 700; (5) High Breakdown Voltage: VCEO = 120V.
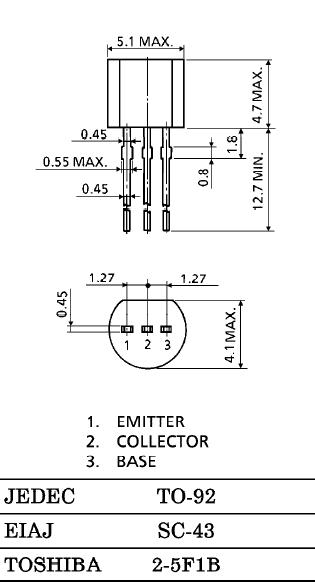
Diagrams

| Image | Part No | Mfg | Description | ![]() |
Pricing (USD) |
Quantity | ||||
|---|---|---|---|---|---|---|---|---|---|---|
![]() |
![]() 2SC2240-GR(F,T) |
![]() Toshiba |
![]() Transistors Bipolar (BJT) ELECTRONIC COMPONENT |
![]() Data Sheet |
![]() Negotiable |
|
||||
![]() |
![]() 2SC2240 |
![]() Other |
![]() |
![]() Data Sheet |
![]() Negotiable |
|
||||
(Singapore)









